污水處理生化系統出現污泥膨脹怎么辦?
- 2018-09-30
- 5219
- 無錫錫云環保科技有限公司
生化法是污水處理中很常用的方法,在生物好氧處理中,污泥良好的絮凝性和沉降壓縮 性能是二沉池出水達標的保障。而污泥膨脹是污水生化處理設備中經常出現的一種現象,不僅發生率高,而且一旦發生,污泥沉降速度變慢,壓縮性能變差,難以固液分離而污泥流失, 導致出水水質惡化。與此同時,污泥膨脹還降低回流污泥濃度,曝氣池中污泥濃度過低,影響其處理效果,可能導致系統崩潰,那么污水處理生化系統出現污泥膨脹怎么辦呢?

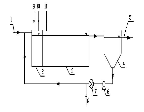
1.生化污泥膨脹控制系統設備包括進水口(1)、二沉池(4)和出水口(5),其特征 在于:所述的二沉池(4)的底端出口連接有污泥回流管道(12),按污泥回流管道(12)內 的流向,上述的污泥回流管道(12)上依次安裝有污泥回流泵(6)、剪切器(7)和H2O2加 藥管(8),所述的污泥回流管道(12)和進水口(1)連接至淘選池(2)的進水端;所述的 淘選池(2)中設有Ca(ClO)2加藥管(9)和一曝氣支管(10),所述的淘選池(2)的出 水端與好氧池(3)相連,所述的好氧池(3)中設有二曝氣支管(11);所述的二沉池(4) 通過管道與好氧池(3)相連接,所述的二沉池(4)設有出水口(5)。
2.如權利要求1所述的一種生化污泥膨脹控制系統,其特征在于:所述的剪切器(7) 包括進口(13)、葉輪(14)、泵腔體(15)和出口(16),所述的進口(13)和出口(16)分 別與污泥回流管道(12)相連,所述的葉輪(14)設在泵腔體(15)的內部。
3.一種生化污泥膨脹控制系統的控制方法,其特征在于:其步驟為:
步驟一:二沉池(4)中的回流污泥通過污泥回流泵(6)輸送進入剪切器(7)中,在湍 流和剪切器(7)機械力的作用下,將回流污泥中的絲狀菌菌絲打斷;
步驟二:在剪切器(7)的后端安裝有H2O2加藥管(8),在絲狀菌膨脹程度處于0—c級 時,不投加H2O2藥劑;在絲狀菌膨脹程度處于d—f級時,打開H2O2加藥管(8),控制H2O2投加量在10-50mg/L,在湍流的作用下使得H2O2藥劑與污泥充分混合,并被輸送至淘選池(2);

步驟三:待處理廢水從進水口(1)流出,控制污泥回流管道(12)的污泥回流比為50-150%, 當待處理廢水進入淘選池(2)后,打開一曝氣支管(10)的閥門,控制曝氣強度在20-25m3/(m2﹒h),溶解氧DO大于1.5mg/L,使得回流污泥與待處理廢水在曝氣攪動作用下充分混合; 在絲狀菌膨脹程度處于0—c級時,不投加Ca(ClO)2藥劑;在絲狀菌膨脹程度處于d—f級 時,打開Ca(ClO)2加藥管(9),控制Ca(ClO)2投加量在20-100mg/L;
步驟四:淘選池(2)中的待處理廢水通過水力自流進入好氧池(3)中,開啟二曝氣 支管(11)的閥門,控制溶解氧DO在2-5mg/L,混合液污泥濃度MLSS控制在2000-4000mg/L; 當進入好氧池(3)中廢水化學需氧量COD低至250mg/L時,在好氧池(3)的進水端投加 葡萄糖營養液,使總COD達到250mg/L以上;隨后推流至好氧池(3)的尾端,并通過管道 導入到二沉池(4)中,經過二沉池(4)處理后的廢水通過出水口(5)順利排出。
4.如權利要求3所述的一種生化污泥膨脹控制系統的控制方法,其特征在于:所述的剪 切器(7)的電機轉速為3000r/min以上,上述的剪切器(7)通過葉輪(14)實現對絲狀菌 的切割,控制剪切速率在15-30s-1。
5.如權利要求4所述的一種生化污泥膨脹控制系統的控制方法,其特征在于:所述的淘 選池(2)的水力停留時間HRT在5-30min,豎向流速為30m/h。

















網站首頁
產品中心
新聞資訊
一鍵撥打